精密壓力表-壓力儀表-南京華爾威儀表有限公司

      1. <abbr id="zl77h_if2qq_3wyy6zl"></abbr>
          歡迎來到南京華爾威儀表有限公司網站!25年專注電氣系統集成解決方案。

          南京華爾威儀表有限公司

          25年專注電氣系統集成解決方案

          提供變頻櫃、PLC控制櫃、抽屜櫃等電氣成套設計定制

          咨詢熱線

          壓力儀表
          精密壓力表

          一、精密壓力表用途說明YB-150A精密壓力表主要用來校驗💘工業用☠️普🏊🏿‍♀️通壓力表,也可在工藝現場精确的測量對銅合金和合金🔞結構🏃🏿‍♀️‍➡️鋼等材質無腐蝕性、非結晶、非凝💫固介質的壓力。該儀表在标度線下設置有鏡面環(A型B型

          全國服務熱線:

          在線咨詢
          • 産品詳情

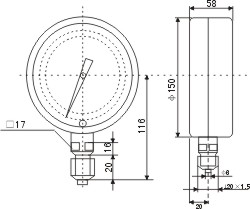
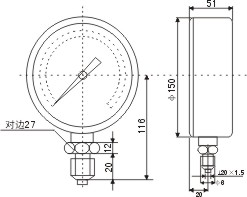
          一、精密壓力表用途說明

          YB-150A精密壓力表 主要用來校驗工業用普通壓力表,也可在工藝現場👺精确的測量對銅合金和合金結構鋼等材質無腐蝕性、非結晶🧜🏼‍♀️、非凝固介質的壓力。該儀表在标度線下設置有鏡面環(A型B型),在使用中讀數更清晰精确。并帶有👼🏾調零裝置(B型)


          二、精密壓力表結構原理

          儀表由測壓系統、傳動機構、指示裝置和外殼組成。測壓彈性元件經特殊工藝處理,使其性能穩定可靠,與高精度的👨🏻‍🏭傳動機構配套調試後,能确保精确的指示精度。儀表的工作原理是:當被測介質的壓力作用于彈性元件後,使其産生彈性變形—位移,經拉杆帶動傳動機構放大,由指示裝置指示被測壓🧑🏽‍🎄力。


          三、精密壓力表主要技術指标

          ○測量範圍、精确度等級及特點

          型 号 彈簧管材料 測量範圍(MPa) 精确等級 結構特點
          YB-150A 錫磷青 銅鉻釩鋼 0~0.1;0~0.16;0~0.25;0~0.4; 0~0.6;0~1;0~1.6; 0~2.5; 0~4;0~6;0~10;0~16; 0~25;0~40;0~60; 0.4 鏡面
          YB-150B 0.25 鏡面調零

           

          ○使用環境條件:5~40℃,相對濕度不大于80%,且環境震動和壓力源🙈的波動對儀表的精确讀數無影響。

          ○溫度影響:使用環境溫度如偏離20±3℃(A型)或20±2℃(B型)時,則須考慮溫度🧑🏽‍❤️‍💋‍🧑🏻附加誤差0.4%/10℃

          ○重量:1kg(A型)  1.4kg(B型) 

                      


          • 南京華爾威儀表有限公司

            掃一掃了解更多

              1. <abbr id="zl77h_if2qq_3wyy6zl"></abbr>